您好,欢迎来到电源,器件库!全球现货 ·品质保障 · 闪电发货
快速响应 电源,器件,物料供应平台
您好,欢迎来到电源,器件库!全球供应 · 品质保障
型号:VF-S250-09A
咨询、购买请联系客服
在线提交咨询
概览
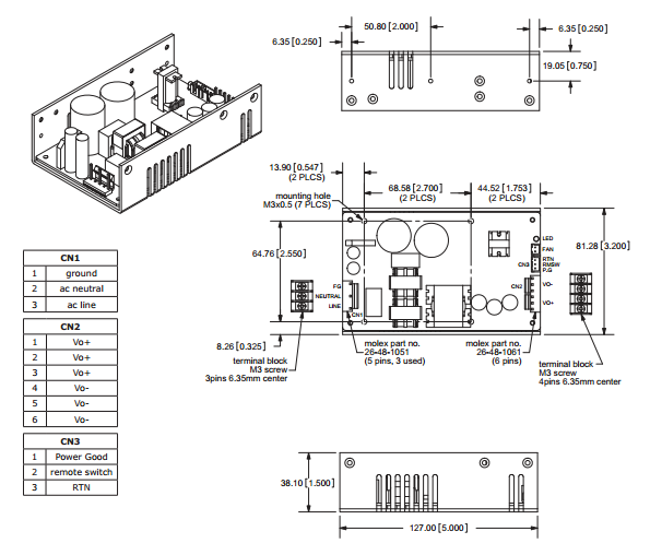
型号 VF-S250-09A 制造商 CUIINC
所属系列 VF-S250-XXA 产品类别 交流到直流电源(AC/DC)
功能描述
详细参数
型号 VF-S250-09A 稳压输出 REGULATED(1-3%)
输出功率 225W 短路保护 CONTINUOUS
输入电压 85-264VAC 温度范围 -40˚cto+85˚c
输出电压 9VDC 效率 83 %
封装 是否进口
封装尺寸 127.00x81.28x38.10mm 认证 RoHS,CE
最大输出电流 25A 品质等级 High quality
隔离电压 3000 VAC 外壳材料 metal
引脚排列图 查看
查看制造商CUIINC的系列VF-S250-XXA更多型号电源
13322986133
微信号: 18902851717
QQ:1034888950
1034888950@qq.com