您好,欢迎来到电源,器件库!全球现货 ·品质保障 · 闪电发货
快速响应 电源,器件,物料供应平台
您好,欢迎来到电源,器件库!全球供应 · 品质保障
首页
类目检索
品牌索引
电源模块
关于我们
浏览记录
XB1085P151J
所属系列:
xb1085_datasheet
描 述:
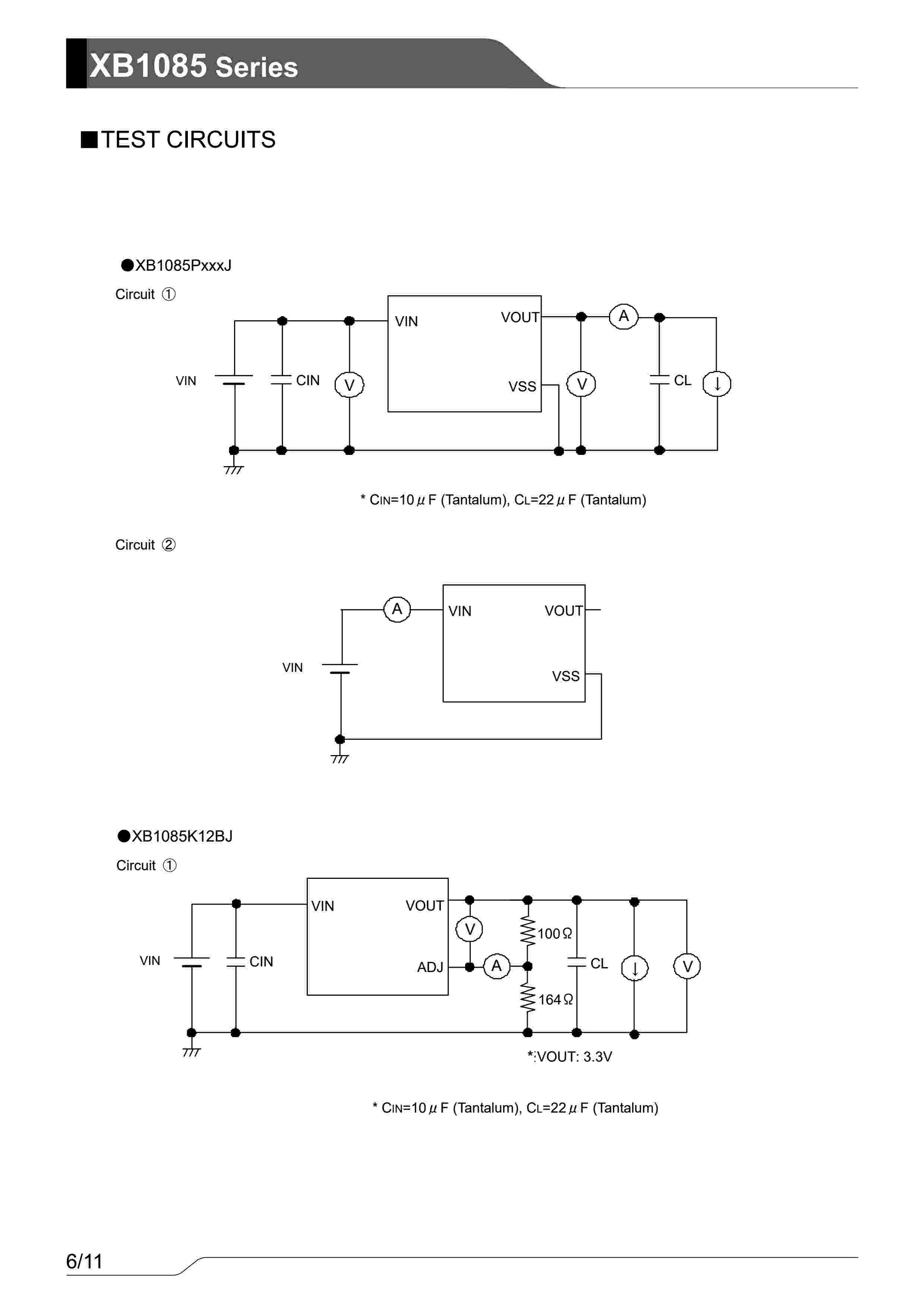
3.0A Positive Voltage Regulator
咨询、购买请联系客服
18902851717
18902851717
1034888950
1034888950@qq.com
在线提交咨询
发货时效:
100个以下2-3日
5000+ 按约定
本品常规备货
采购用户看公示栏,快捷反应,本品订单货号:
XB1085P151J
相关型号
XB1085
XB1085P
XB1085K
XB1085P151J
XB1085P181J
XB1085P251J
XB1085P331J
XB1085P501J
XB1082K12BJ
XB1085K12BJ
显示全部
数据手册
13322986133
微信号: 18902851717
QQ:1034888950
1034888950@qq.com