您好,欢迎来到电源,器件库!全球现货 ·品质保障 · 闪电发货
快速响应 电源,器件,物料供应平台
您好,欢迎来到电源,器件库!全球供应 · 品质保障
型号:WRS5-24S75
供应
概览
型号 WRS5-24S75 制造商 Wispower
所属系列 WRS5-10 产品类别 直流到直流电源(DC/DC)
功能描述
详细参数
型号 WRS5-24S75 稳压输出 REGULATED(1-3%)
输出功率 5W 短路保护 CONTINUOUS
输入电压 18-36VDC 温度范围 -40˚cto+85˚c
输出电压 75VDC 效率
封装 是否进口
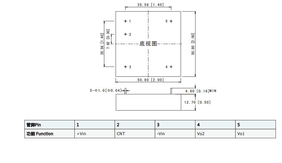
封装尺寸 50.8x50.8x12.7mm 认证 RoHS,CE
最大输出电流 0.07A 品质等级 High quality
隔离电压 500 VDC 外壳材料 metal
引脚排列图 查看
查看制造商Wispower的系列WRS5-10更多型号电源
13322986133
微信号: 18902851717
QQ:1034888950
1034888950@qq.com