您好,欢迎来到电源,器件库!全球现货 ·品质保障 · 闪电发货
快速响应 电源,器件,物料供应平台
您好,欢迎来到电源,器件库!全球供应 · 品质保障
型号:FSD-1205
供应
概览
型号 FSD-1205 制造商 FLOETH
所属系列 FSD 产品类别 直流到直流电源(DC/DC)
功能描述
详细参数
型号 FSD-1205 稳压输出 REGULATED(1-3%)
输出功率 12W 短路保护
输入电压 5.5 - 24VDC 温度范围 -40˚cto 85˚c
输出电压 5VDC 效率
封装 是否进口
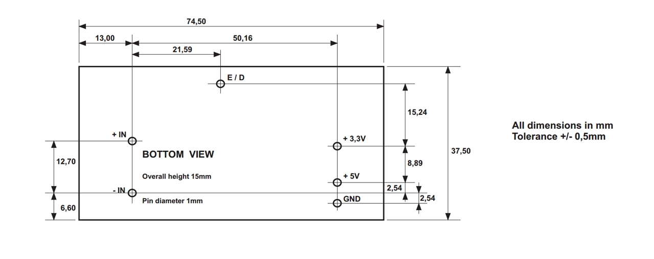
封装尺寸 74.5x37.5mm 认证 RoHS,CE
最大输出电流 2,5A 品质等级 High quality
隔离电压 外壳材料
引脚排列图 查看
查看制造商FLOETH的系列FSD更多型号电源
13322986133
微信号: 18902851717
QQ:1034888950
1034888950@qq.com