您好,欢迎来到电源,器件库!全球现货 ·品质保障 · 闪电发货
快速响应 电源,器件,物料供应平台
您好,欢迎来到电源,器件库!全球供应 · 品质保障
型号:DAW2-0505D
供应
概览
型号 DAW2-0505D 制造商 FLOETH
所属系列 DAW2 产品类别 直流到直流电源(DC/DC)
功能描述
详细参数
型号 DAW2-0505D 稳压输出 REGULATED(1-3%)
输出功率 10W 短路保护 CONTINUOUS
输入电压 4.5-9VDC 温度范围 -40˚cto+85˚c
输出电压 ±5VDC 效率
封装 2x2 是否进口
封装尺寸 50.8×25.4×10.2mm 认证 RoHS,CE
最大输出电流 ±1000mA 品质等级 High quality
隔离电压 1000 VDC 外壳材料 metal
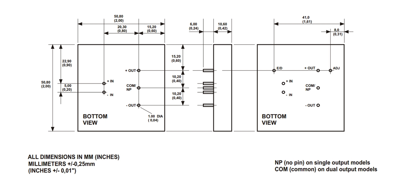
引脚排列图 查看
查看制造商FLOETH的系列DAW2更多型号电源
13322986133
微信号: 18902851717
QQ:1034888950
1034888950@qq.com