您好,欢迎来到电源,器件库!全球现货 ·品质保障 · 闪电发货
快速响应 电源,器件,物料供应平台
您好,欢迎来到电源,器件库!全球供应 · 品质保障
型号:PMD20024S3.3WHB
咨询、购买请联系客服
在线提交咨询
概览
型号 PMD20024S3.3WHB 制造商 MTM POWER
所属系列 PMD200WHB 产品类别 直流到直流电源(DC/DC)
功能描述
详细参数
型号 PMD20024S3.3WHB 稳压输出 REGULATED(1-3%)
输出功率 200W 短路保护 CONTINUOUS
输入电压 18-36VDC 温度范围 -40˚cto+85˚c
输出电压 3.3VDC 效率 90 %
封装 Half Brick 是否进口
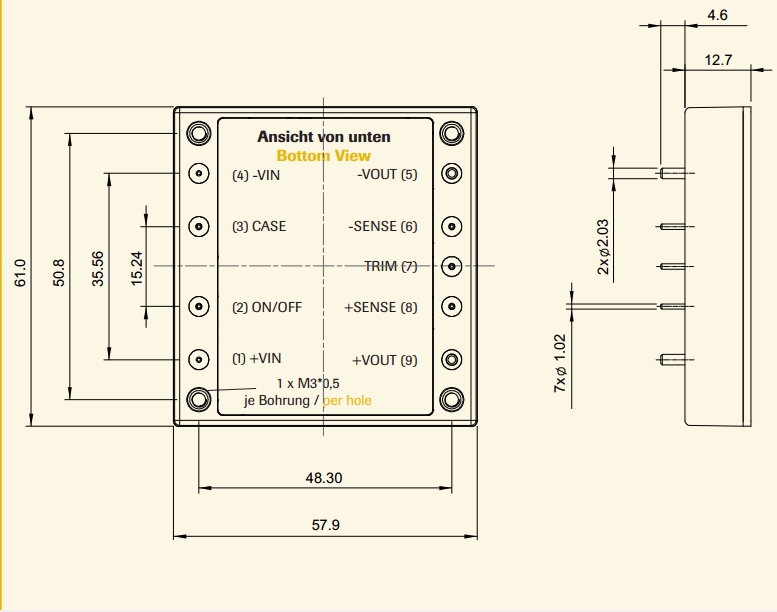
封装尺寸 57.9x61x13.2mm 认证 RoHS,CE
最大输出电流 50A 品质等级 High quality
隔离电压 1500 VDC 外壳材料 Aluminum Alloy
引脚排列图 查看
查看制造商MTM POWER的系列PMD200WHB更多型号电源
13322986133
微信号: 18902851717
QQ:1034888950
1034888950@qq.com