您好,欢迎来到电源,器件库!全球现货 ·品质保障 · 闪电发货
快速响应 电源,器件,物料供应平台
您好,欢迎来到电源,器件库!全球供应 · 品质保障
型号:IB1205T-W75
咨询、购买请联系客服
在线提交咨询
概览
型号 IB1205T-W75 制造商 MICRODC
所属系列 IB-XT-W75 产品类别 直流到直流电源(DC/DC)
功能描述 0.75W,FIXED INPUT,ISOLATED
详细参数
型号 IB1205T-W75 稳压输出 UNREGULATED
输出功率 0.75W 短路保护 1second(-suffix"P" continous)
输入电压 12VDC 温度范围 -40-85°C
输出电压 05VDC 效率
封装 SMD10 是否进口
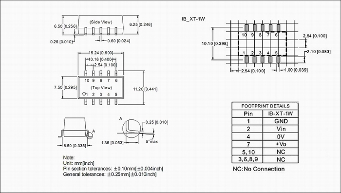
封装尺寸 15.24x7.5x6.5 认证 CE,ROHS
最大输出电流 150 品质等级 High quality
隔离电压 1000VDC VDC 外壳材料 plastics
引脚排列图 查看
查看制造商MICRODC的系列IB-XT-W75更多型号电源
13322986133
微信号: 18902851717
QQ:1034888950
1034888950@qq.com