您好,欢迎来到电源,器件库!全球现货 ·品质保障 · 闪电发货
快速响应 电源,器件,物料供应平台
您好,欢迎来到电源,器件库!全球供应 · 品质保障
型号:B0503LS-1W
咨询、购买请联系客服
在线提交咨询
概览
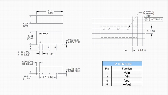
型号 B0503LS-1W 制造商 MICRODC
所属系列 B-XLS-1W 产品类别 直流到直流电源(DC/DC)
功能描述 1W Single Output DC/DC Converters
详细参数
型号 B0503LS-1W 稳压输出 UNREGULATED
输出功率 1W 短路保护 1second(-suffix"P" continous)
输入电压 5VDC 温度范围 -40-85°C
输出电压 3.3VDC 效率
封装 SIP7 是否进口
封装尺寸 19.6*10*6mm 认证 CE,ROHS
最大输出电流 303.3 品质等级 High quality
隔离电压 1000VDC VDC 外壳材料 plastics
引脚排列图 查看
查看制造商MICRODC的系列B-XLS-1W更多型号电源
13322986133
微信号: 18902851717
QQ:1034888950
1034888950@qq.com