您好,欢迎来到电源,器件库!全球现货 ·品质保障 · 闪电发货
快速响应 电源,器件,物料供应平台
您好,欢迎来到电源,器件库!全球供应 · 品质保障
型号:NED-50B
供应
概览
型号 NED-50B 制造商 MEAN WELL
所属系列 NED-50 产品类别 交流到直流电源(AC/DC)
功能描述
详细参数
型号 NED-50B 稳压输出 REGULATED(1-3%)
输出功率 35W 短路保护 CONTINUOUS
输入电压 85-264VAC 温度范围 -40˚cto+85˚c
输出电压 5/24VDC 效率 80 %
封装 是否进口
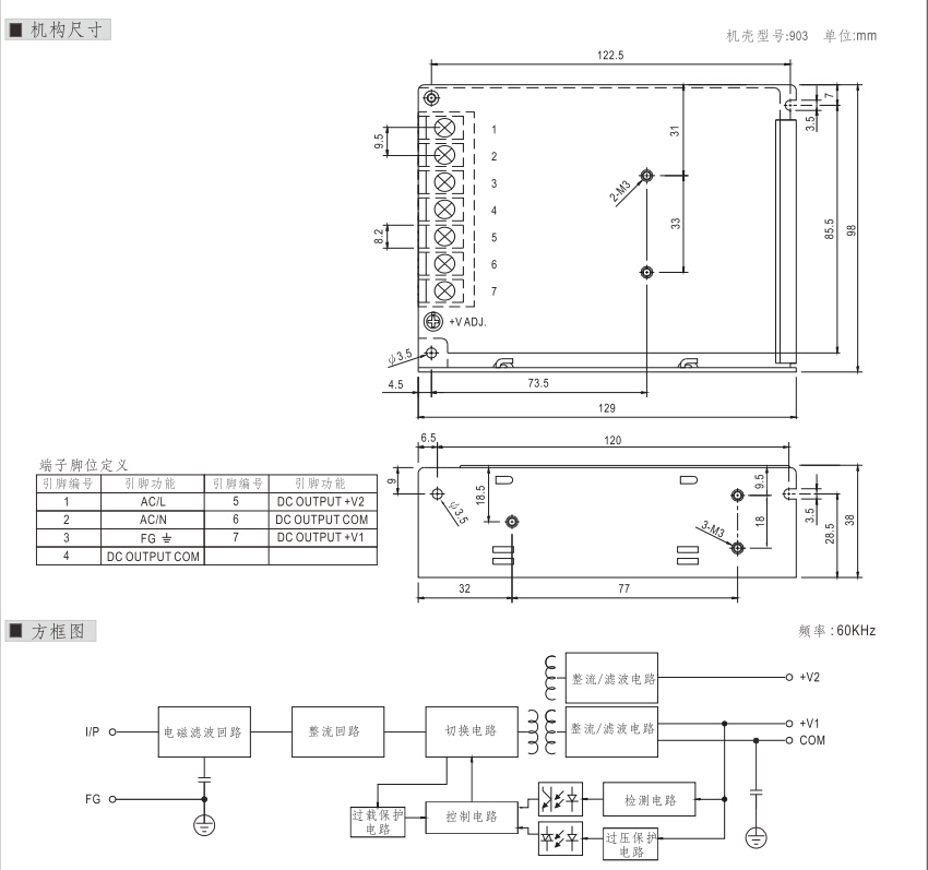
封装尺寸 129x98x38mm 认证 RoHS,CE
最大输出电流 4/1.4A 品质等级 High quality
隔离电压 外壳材料 metal
引脚排列图 查看
查看制造商MEAN WELL的系列NED-50更多型号电源
13322986133
微信号: 18902851717
QQ:1034888950
1034888950@qq.com