您好,欢迎来到电源,器件库!全球现货 ·品质保障 · 闪电发货
快速响应 电源,器件,物料供应平台
您好,欢迎来到电源,器件库!全球供应 · 品质保障
型号:WRA2418YD-4W
咨询、购买请联系客服
在线提交咨询
概览
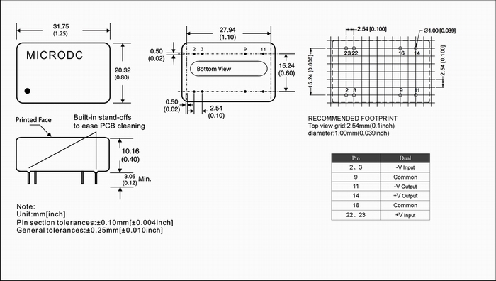
型号 WRA2418YD-4W 制造商 MICRODC
所属系列 WRA-YD-4W 产品类别 直流到直流电源(DC/DC)
功能描述 4W, WIDE INPUT, ISOLATED
详细参数
型号 WRA2418YD-4W 稳压输出 REGULATED(1-3%)
输出功率 4W 短路保护 CONTINUOUS
输入电压 18-36VDC 温度范围 -40-85°C
输出电压 ±18VDC 效率
封装 DIP24 是否进口
封装尺寸 31.75x20.32x10.16mm 认证 CE,ROHS
最大输出电流 ±111mA 品质等级 High quality
隔离电压 1000 VDC 外壳材料 mental
引脚排列图 查看
查看制造商MICRODC的系列WRA-YD-4W更多型号电源
13322986133
微信号: 18902851717
QQ:1034888950
1034888950@qq.com